IIC 4029 Datasheet: Your Ultimate Guide

S.Onlinenic 99 views
IIC 4029 Datasheet: Your Ultimate Guide

IIC 4029 Datasheet: Your Ultimate Guide

Hey guys! Ever found yourself lost in the confusing world of integrated circuits, desperately searching for that one piece of information that will make your project click? Well, today we’re diving deep into the IIC 4029 datasheet to make your life a whole lot easier. Think of this as your friendly guide to understanding everything about this versatile chip. Let’s get started!

What is the IIC 4029?

Before we plunge into the nitty-gritty details of the datasheet, let’s take a moment to understand what the IIC 4029 actually is . The IIC 4029 is a synchronous up/down counter . Basically, it’s a fancy chip designed to count, and it can count both upwards and downwards! These counters are super handy in a ton of digital applications. They can keep track of events, control sequences, and even perform simple arithmetic. Imagine you’re building a digital clock, a frequency divider, or even a basic calculator – the IIC 4029 could be your best friend.

One of the things that makes the IIC 4029 particularly useful is its synchronous operation. This means that all the flip-flops inside the chip change state at the same time, triggered by a single clock signal. This synchronous behavior ensures that the counting is reliable and predictable, which is crucial in many applications. Plus, the ability to count both up and down adds a layer of flexibility, making it suitable for a wide range of tasks. Whether you’re a hobbyist tinkering with electronics or a seasoned engineer designing complex systems, understanding the IIC 4029 can open up a world of possibilities.

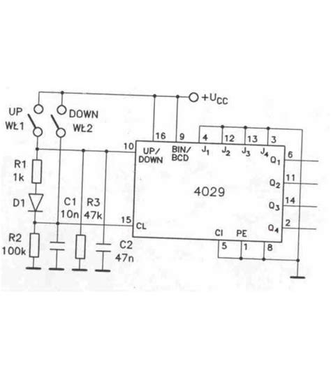
The IIC 4029 typically comes in a 16-pin DIP (Dual In-line Package), which makes it relatively easy to work with on breadboards and PCBs. Its operating voltage usually ranges from 3V to 15V, making it compatible with various logic families. Inside, it consists of four master-slave flip-flops, along with the necessary logic gates to control the counting direction and other functions. By connecting the appropriate pins, you can configure the chip to count in binary or decade (BCD) mode. In binary mode, it counts from 0 to 15, while in decade mode, it counts from 0 to 9 before resetting. This versatility makes the IIC 4029 a popular choice in many digital counting applications.

Key Features and Specifications

Alright, let’s break down the key features and specifications you’ll find in the IIC 4029 datasheet. Knowing these details is crucial for designing your circuits properly and avoiding any unexpected surprises.

  • Supply Voltage: The IIC 4029 typically operates with a supply voltage (Vdd) ranging from 3V to 15V. It’s super important to stay within this range to avoid damaging the chip. Check the datasheet for the absolute maximum ratings to be extra safe.
  • Operating Temperature: The standard operating temperature range is usually -40°C to +85°C. Make sure your application environment falls within this range to ensure reliable performance.
  • Clock Frequency: The maximum clock frequency (fclock) determines how fast the counter can operate. This varies depending on the supply voltage, but it’s typically in the MHz range. Consult the datasheet for the exact value at your operating voltage.
  • Counting Modes: The IIC 4029 supports both binary and decade (BCD) counting modes. You can select the mode using a control pin. Binary mode counts from 0 to 15, while decade mode counts from 0 to 9.
  • Up/Down Control: This pin determines the counting direction. Applying a logic high or low signal to this pin will switch the counter between counting up and counting down.
  • Carry In/Carry Out: These pins allow you to cascade multiple IIC 4029 chips to create larger counters. The carry out pin goes high when the counter reaches its maximum value, signaling the next chip to increment.
  • Preset Enable: This pin allows you to load a specific value into the counter. When activated, the counter will immediately jump to the preset value.
  • Reset: Applying a logic high signal to the reset pin will reset the counter to zero, regardless of its current state.

Understanding these specifications is absolutely essential for designing a reliable and efficient circuit using the IIC 4029. Always refer to the datasheet for the most accurate and up-to-date information, as these values can vary slightly depending on the manufacturer and specific chip version.

Pin Configuration

The pin configuration of the IIC 4029 is critical to understand for proper integration into your projects. Let’s walk through each pin and its function.

  1. Pin 1 (Carry Out): This pin outputs a carry signal when the counter reaches its maximum count (15 in binary mode or 9 in decade mode). It’s used to cascade multiple counters for larger counting ranges.
  2. Pin 2 (Clock Enable): This pin enables or disables the clock input. When high, the counter advances on each clock pulse; when low, the counter holds its current value.
  3. Pin 3 (Up/Down): This pin controls the counting direction. A logic high typically sets the counter to count up, while a logic low sets it to count down.
  4. Pin 4 (Preset Enable): When this pin is active (usually high), the counter is loaded with the values present on the preset inputs (P0-P3).
  5. Pins 5-8 (P0-P3): These are the preset data inputs. They provide the data that will be loaded into the counter when the Preset Enable pin is active.
  6. Pin 9 (Binary/Decade): This pin selects the counting mode. A logic low usually selects decade mode (0-9), while a logic high selects binary mode (0-15).
  7. Pin 10 (Reset): Applying a logic high to this pin resets the counter to zero.
  8. Pin 11 (Clock): This is the main clock input. The counter increments or decrements on each rising (or sometimes falling) edge of the clock signal, depending on the specific chip version.
  9. Pins 12-15 (Q0-Q3): These are the data output pins. They provide the current count value in binary or BCD format.
  10. Pin 16 (Vdd): This is the positive supply voltage pin. Connect this to your power supply, typically between 3V and 15V.
  11. Pin 8 (Vss): This is the ground pin. Connect this to the ground of your power supply.

Knowing the function of each pin is absolutely essential for wiring up the IIC 4029 correctly. Always double-check the datasheet for the specific pinout of your chip, as there can be slight variations depending on the manufacturer.

Understanding Timing Diagrams

Timing diagrams can seem intimidating, but they’re incredibly useful for understanding how the IIC 4029 behaves over time. They show the relationship between input signals (like the clock, up/down control, and preset enable) and output signals (like the counter outputs and carry out). By studying these diagrams, you can predict how the counter will respond to different input conditions.

For example, a timing diagram will show you how long the Preset Enable pin needs to be held high to reliably load a value into the counter. It will also show you the setup and hold times for the clock signal, which are the minimum times the clock signal needs to be stable before and after the active edge. Ignoring these timing requirements can lead to unreliable operation or even damage to the chip.

The timing diagrams also illustrate the propagation delays, which are the times it takes for the output signals to respond to changes in the input signals. These delays are important to consider when designing high-speed circuits, as they can limit the maximum clock frequency you can use. The datasheet will typically specify the propagation delays for different operating conditions, such as different supply voltages and temperatures.

To make the most of the timing diagrams, pay close attention to the labels and units. The diagrams will usually include labels indicating the signal names, voltage levels, and time scales. Make sure you understand what each label means before you start analyzing the diagram. Also, be aware that the timing diagrams are typically drawn for specific test conditions, so the actual timing in your application may vary slightly. Always allow for some margin of error to ensure reliable operation.

Practical Applications

The IIC 4029 isn’t just a theoretical concept; it’s a workhorse in many practical applications . Here are a few examples to spark your imagination:

  • Digital Clocks and Timers: The IIC 4029 can be used to count seconds, minutes, and hours in digital clocks and timers. By cascading multiple counters, you can create a complete timekeeping system.
  • Frequency Dividers: By connecting the carry out pin back to the clock enable pin, you can create a frequency divider. This is useful for generating lower-frequency signals from a higher-frequency clock source.
  • Event Counters: The IIC 4029 can be used to count events, such as the number of times a button is pressed or the number of objects passing through a sensor.
  • Position Encoders: In robotics and automation, the IIC 4029 can be used to track the position of a motor or other moving parts. By connecting the counter to an encoder, you can determine the exact position of the object.
  • Simple Calculators: The IIC 4029 can be used to perform basic arithmetic operations, such as addition and subtraction. By combining multiple counters and logic gates, you can create a simple calculator.

These are just a few examples, and the possibilities are endless. The IIC 4029 is a versatile chip that can be adapted to a wide range of applications. With a little creativity, you can find many uses for it in your own projects.

Common Issues and Troubleshooting

Even with a solid understanding of the datasheet, you might still run into common issues when working with the IIC 4029. Here are a few tips for troubleshooting :

  • Incorrect Counting: If the counter isn’t counting correctly, double-check the wiring of the clock, up/down control, and preset enable pins. Make sure the clock signal is clean and stable, and that the up/down control pin is set to the correct direction.
  • No Output: If there’s no output from the counter, check the power supply voltage. Make sure it’s within the specified range for the IIC 4029. Also, check the reset pin to make sure it’s not being held high, which would reset the counter to zero.
  • Erratic Behavior: If the counter is behaving erratically, it could be due to noise or interference on the input signals. Try adding decoupling capacitors to the power supply pins and using shielded cables for the clock and control signals.
  • Overheating: If the chip is getting hot, it could be due to excessive current draw. Check for short circuits in your circuit and make sure you’re not exceeding the maximum current ratings for the IIC 4029.
  • Timing Issues: If you’re having timing issues, double-check the setup and hold times for the clock signal. Make sure the clock signal is stable before and after the active edge, and that the propagation delays are within acceptable limits.

By systematically checking these potential issues, you can usually track down the cause of the problem and get your IIC 4029 working correctly. Always refer to the datasheet for the most accurate and up-to-date information, and don’t be afraid to experiment and try different solutions.

Conclusion

So, there you have it – a comprehensive guide to understanding the IIC 4029 datasheet! We’ve covered the basics of what the IIC 4029 is, its key features and specifications, pin configuration, timing diagrams, practical applications, and common troubleshooting tips. With this knowledge, you’ll be well-equipped to use the IIC 4029 in your own projects. Remember to always refer to the datasheet for the most accurate and up-to-date information, and don’t be afraid to experiment and try new things. Happy counting!